6月3日上午,浙江省塑料行業協會會長、明日控股董事長韓新偉作為專家組成員,線上參加青海大美煤業股份有限公司尾氣綜合利用制烯烴項目論證會,會議由青海省工信廳組織,有關項目專家、銀行、大美項目業主等單位代表參加會議。
會議邀請了青海省工信廳、廣西欽州化工、中石化廣州工程公司、上海石化研究院、中石化經濟技術研究院、中石化工程建設公司、中科院大連物化所、吉林康奈爾化工公司、明日控股(浙江塑協)、中煤蒙大、中煤榆林等單位有關專家,組成項目論證專家組,負責大美項目論證審查工作。
論證會上,專家組在聽取了大美項目概況、經營情況、同類項目情況、項目競爭力分析等情況后,重點就項目可持續性前景、項目優劣勢、原材料可靠性、產品銷售市場、產品運營能力、同類項目對比、市場極端情況下項目經濟效益與競爭力等方面進行了探討交流,對項目進行逐條論證審查。

作為塑化行業專家代表,韓新偉重點就產品銷售市場發表了專業意見,指出,聚烯烴產業屬于“金字塔型”產業結構,未來一階段仍具有較好發展前景,面對油價低位運行、原料價格波動大等特殊情況,大美項目要加強和塑化產業鏈各方參與者的深度合作,充分利用好金融衍生品等工具,加強風險管控,并對項目主要分銷區域等方面給出了意見建議。總體上,專家組成員認為大美項目符合國家產業政策和地方工業發展規劃,工藝技術和設備在業內先進,市場銷售空間廣泛,項目前景良好。
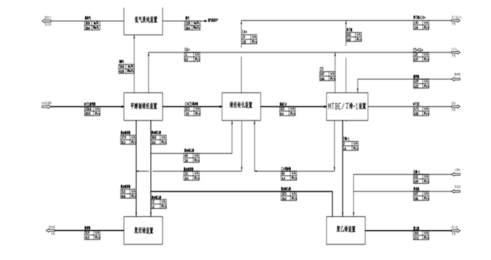
△ 項目工藝流程圖
大美尾氣綜合利用制烯烴項目,位于青海省西寧市甘河工業園區,是2020 年青海省投資重點項目,包括180萬噸/年甲醇制烯烴裝置、60萬噸/年輕烯烴回收裝置、30萬噸/年聚乙烯裝置、40萬噸/年聚丙烯裝置等,項目概算總投資105億元,目前已完成進度85%水平,并計劃于2020年12月試生產,產出合格產品。目前,項目已與我集團、北京四聯等單位確定初步合作意向。
(辦公室 郭利強)


